CANSAT shield v7

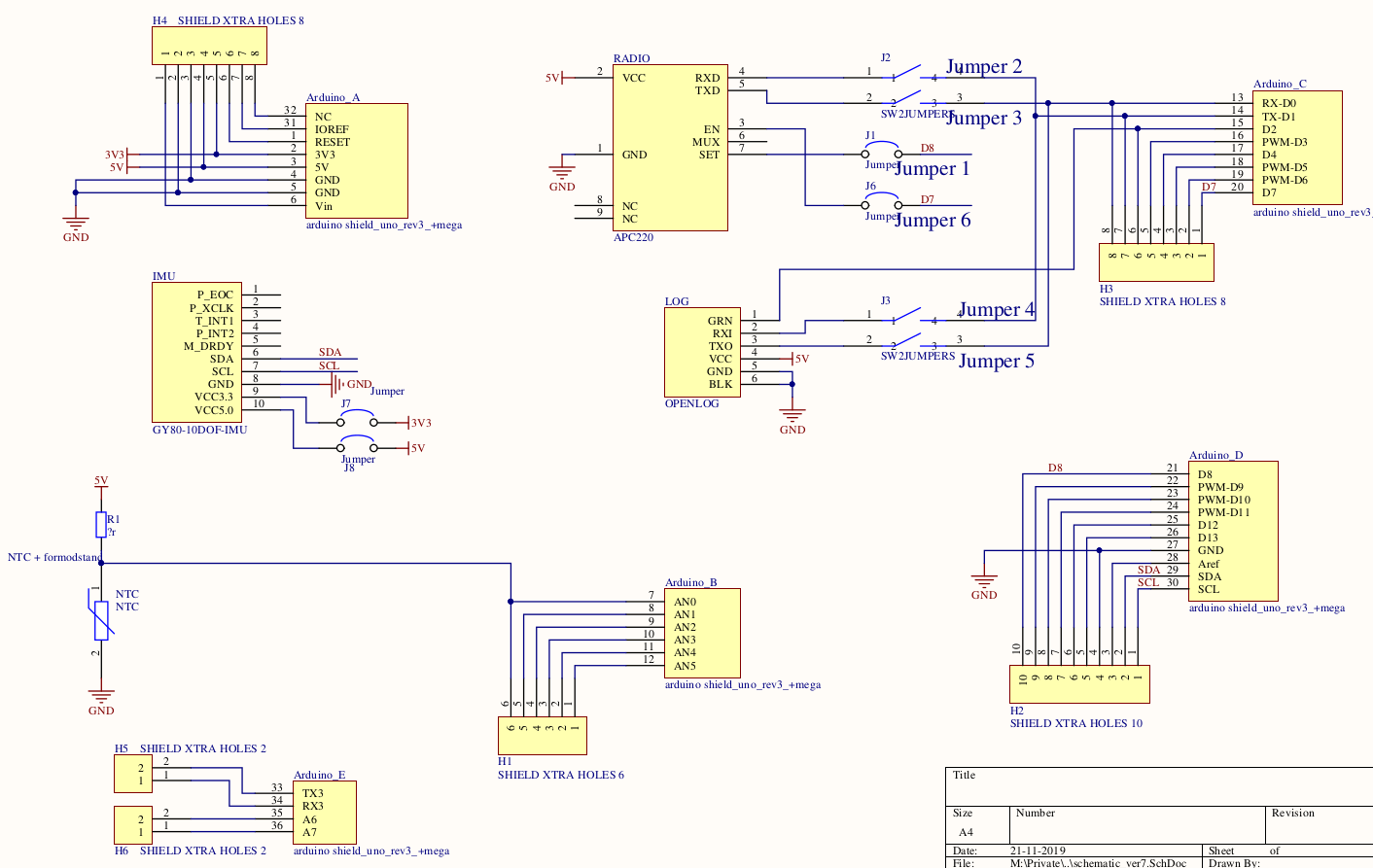
Jumpers

jumper arduino apc220 openlog IMU
J1 SET PIN til reconfig af radio i print (ard pin D8)
J2 TXD RXD skal på hvis du vil sende data hjem med radio
J3 RXD TXD hvis du vil modtage data fra radio
J4 TXD RXD skal på hvis du vil logge data - arduino TX
J5 RXD TXD skal på hvis du vil modtage data fra openlog
J6 EN enable pin radio to D7
J7 3.3V power til IMU gy-88
J8 5.0V power til IMU gy-88


Standard config

  • J2 - så kan der sendes via apc220 radio

  • J4 - så kan der logges på sdkort

  • J8 - så er der 5.0 spændingsforsyning til IMU (gy-88)

Auto reprogram af radio

  1. fjern alle jumpers ved radio J1 - J5

  2. sæt jumper på J1 (jumper tættest på siden af shield)

  3. load apc220configauto01 og ret baudrate frekvens mm

  4. upload programmet

  5. afvent reprogram

  6. se i programkoden for meddelelser via LED13 blink

NB NB NB

J3 og J5 kan ikke være på samtidig, da tx fra radio og openlogger da har forbindelse



Schematics for shield (klik for at få det større)

 
  • pdf version her

  • Gerberfiler(printproduktion) mm her

KODNING

Vi koder i C på Arduino platform.

Vi bruger en standardard Arduino UNO

  • 16 MHz CPU

  • 2 kB RAM - til data og variable

  • 32 kB flash til kode

Det er en meget robust maskine og nem at gå til.

Arduino SW miljø

Du skal downloade Arduinos udviklingsmiljø fra http://arduino.cc

Du finder SW og installationsbeskrivelse på https://www.arduino.cc/en/software

Der understøttes windows, mac og linux - så det burde være muligt for alle.

Arduino drivere

Der skal bruges ekstra drivere til noget af den hw er der på cansat kittet

IMU - 3 akses accelerometer og gyro - MPU 6050

MPU 6050 er en chip der tilbyder 3 akses accelerometer og 3 akses gyro målinger.

  • Datablad kan du finde her

  • Driver til install her

Tryk og temperatur måler (BMP085, BMP180)

En trykmåler fra Bosch. Den har en opløsning på ca 30cm omregnet til højde nede ved jorden. Dvs man kan faktisk se hvilken etage man er på. Derudover indholder den en temperaturmåler.

3 akses magnetometer (HMC5983)

APC220 radio

  • Manual her

  • Arduino program til at reprogrammere radio med her

  • legalt frekvensområde 433.050 - 434.790 MHz (433 MHz ISM bånd)